产品介绍 KINAX WT707轴变送器用于重载应用的角位置,>直径100mm。 将轴位置转换为负载无关直流信号,并与角轴位置对应成比例。 产品特点 • 经久耐用的单圈和多圈角位置变送器适用于众多领域 • 高级别机械和电子安全 • 电容扫描系统在激活后立即提供**位置 • 零点位置和最终位置独立可调 • 没有磨损,低的年度维修费用以及在任何地点可安装 • 小轴承影响<0.1% • 可用防爆保护"本质安全"Ex ia IIC T6 • 可以在危险区域安装 • 也可作为耐海水版本 • 适用于远洋船舶符合GL标准 技术数据 • 测量范围:0 … 5°, 0 … 10°, 0 … 30°, 0 … 60°, 0 … 90°,0 … 180°, 0 … 270°(无齿轮) 0 … 10°, 0 … 30°, 0 … 60°, 0 … 90°, 0 … 180°,0 … 270°达到最大1600转 • 测量输出:0 … 1 mA, 0 … 5 mA, 0 … 10 mA, 0 … 20 mA,4 … 20 mA带有3或4线连接,4 … 20 mA带有2线连接 • 测量变量IA:IA最大40mA • 输出电流中剩余纹波:<0.3% p.p. • 供电电源:DC和AC电压(DC/AC供电单元)
DC电压仅 12...33V DC(非本质安全版本,没有电隔离) 12...30V DC(非本质安全版本,没有电隔离) 最大电流消耗约5mA+I 最大剩余波纹10%p.p. (不得低于12V) • 精度: 错误极限≤0.5%用于范围0...≤150°,错误极限≤1.5%用于范围0...>150°到0...270° • 可重复性:<0.2% • 响应时间:<5 ms • 电连接:插头连接器或电缆接头,连接打印带有螺旋终端 • 起动转矩: 约25Ncm • 间隙影响:±0.1% • 驱动轴直径: 19mm或12mm • 轴容许静载荷: 最大1000N(辐射式)最大500N(轴向) • 安装位置: 任意 • 材料: 外壳凸缘标准:钢 外壳凸缘防海水型:高级钢1.4462 带插塞接头壳盖:塑料 带电缆接头壳盖:铝 轴:防锈硬化钢 • 重量约2.9kg(不带附加齿轮) 约3.9kg(带附加齿轮) 环境条件及符合标准 • 气候等级:标准(Non-Ex):温度– 25 … +70 °C,相对湿度≤95%,不凝结。 • 带有改进气候等级(Non-Ex):温度– 40 … +70 °C,相对湿度≤95%,不凝结。 • 防爆保护:温度在T6– 40 … +55 °C,温度在T5– 40 … +70 °C,温度在T4– 40 … +75 °C • 外壳保护:IP67符合EN60529标准,IP69k符合EN40050-9标准 • 抖动:IEC60068-2-6,10g连续,15g(每2小时在3个方向内)/0...200Hz,5g连续,10g(每2小时在3个方向内)/200 … 500 Hz • 震动:IEC 60 068-2-27, 3 x 50g(每个轴和方向10个脉冲) • 电磁适应性:标准适用于抗扰度EN61000-6-2和观察干扰发射EN61000-6-4 • 防爆保护:本质安全Ex II 2 G / Ex ia IIC T6 符合EN 60 079-0: 2006和EN 60 079-11: 2007
辅助传输 使用**辅助传输设备KINAX WT707适用于多圈应用中。选择正确的齿轮转动比可以达到1600转。用户可以选择带有齿轮转速比从2:1到1600:1的辅助传输。 特殊的防海水设计 使用特殊防海水设计,KINAX WT707可以应用于极端的环境条件下。特殊的钢外壳使得KINAX WT707尤其适用于腐蚀性媒介中,例如,海水,碱液,酸液和清洁剂等。 附件
文件记录
认证
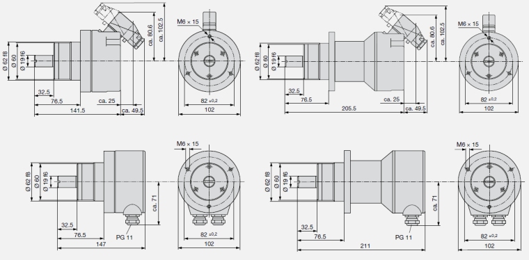
外形尺寸
技术参数
|
相关产品
|











