产品介绍 角位变送器KINAX 2W2模拟,适用于各种恶劣的条件,通过软件进行参数设置,没有磨损和维护成本,通过软件进行参数设置。 KINAX 2W2可编程角位置轴变送器可以安装。 将轴位置转换为负载无关直流信号,并与角轴位置对应成比例。 产品特点 • 紧凑型角位置变送器可以安装到其他设备 • 电容扫描系统在激活后立即提供**位置 • 没有磨损,低的年度维修费用以及在任何地点可安装 • 零点和测量范围可调 • 小启动转矩<0.001Ncm • 小轴承运行影响<0.1% • 可用防爆保护"本质安全"Ex ia IIC T6 • 可安装于危险区域 技术数据 • 测量范围: 可编程在范围0 … 10°, 0 … 50°, 0 … 350° • 测量输出: 4...20mA带2线连接 • 供电电源: 12...33V DC(非本质安全版本),12...30V DC(本质安全版本) • 输出电流的残余纹波:< 0.3% p.p. • 精度: 误差极限≤0.5% • 可重复性:< 0.2% • 响应时间:< 5 ms • 电连接: 焊接终端(保护等级IP00符合EN60529)或带螺旋终端接线打印 • 起动转矩: <0.001Ncm带2mm轴,<0.03Ncm带6mm轴分别为1/4" • 间隙影响:±0.1 % • 驱动轴直径: 2mm,6mm奇数1/4" • 允许轴静态负荷:
• 安装位置: 任意 • 材料: 铬铝 • 轴:防锈硬化钢 • 重量: 约100g
环境条件及符合标准 • 气候等级:标准(Non-Ex):温度– 25 … +70 °C,相对湿度≤95%,不凝结。 • 带有改进气候等级(Non-Ex):温度– 40 … +70 °C,相对湿度≤95%,不凝结。 • 防爆保护:温度在T6– 40 … +55 °C,温度在T5– 40 … +70 °C,温度在T4– 40 … +75 °C • 外壳保护:IP50符合EN60529标准 • 抖动:IEC 60 068-2-6, 50 m/s2 / 10 … 200 Hz(每2小时在3个方向内) • 震动:IEC 60 068-2-27, ≤500 m/s2(每个轴和方向10个脉冲) • 电磁适应性:标准适用于抗扰度EN61000-6-2和观察干扰发射EN61000-6-4 • 防爆保护:本质安全Ex II 2 G / Ex ia IIC T6 符合EN 60 079-0: 2006和EN 60 079-11: 2007 防爆保护数据(保护类型《本质安全》
基本配置
文件记录
认证
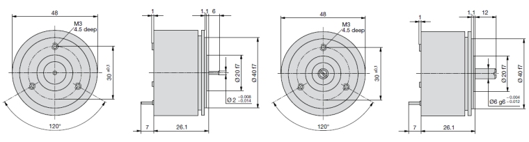
外形尺寸
技术参数
|
相关产品
|












