其它工业过程控制及在线分析仪 >> 变送器
N702/N702-SSI倾角变送器KINAX N702型
产品介绍 KINAX N702一维倾角变送器 倾角变送器将倾角转换为直流信号,并于倾角对应成比例。平台的倾角值代表重要的测量数据,作为安全的一部分和该类机械的控制系统。 产品特点 • 坚固耐用的磁阻角位置变送器,可自由旋转不停止 • 带有油阻尼摆系统 • 传感器接触自由并可以在摆上最小磨损 • 测量范围,旋转方向和零点位置可在变送器上直接编程。 技术参数 • 测量原理: 磁阻角位置变送器,接触自由,自由旋转 • 测量范围: 0...360°,自由可编程 • 测量输出: 4...20mA带3线连接 • 电流消耗:< 80 mA • 负载电阻:最大600Ω • 精度:±0.2° • 分辨率: 14比特 • 瞬时响应: 25°倾斜<1秒 • 电连接: 连接器M12x1,5极 • 摆杆阻尼: 带硅油 • 安装位置: 任意 • 材料: 外壳:涂铝 • 重量: 约300g 环境条件 • 温度范围:– 30 … +70 °C • 湿度:相对湿度最大≤90%,无凝结 • 外壳保护:IP66符合EN60529 • 振动:IEC 60 068-2-6, 40 m/s 2 / 0 … 100 Hz 连接器M12的引脚配置
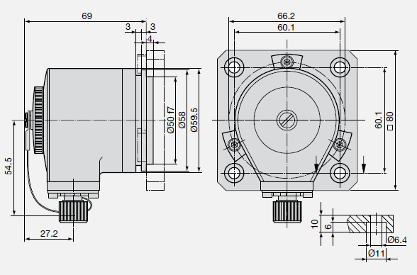
外形尺寸
技术参数
|
相关产品
|







